简体中文
当前位置: 首页 > 智能装备 > 干燥设备 > 对流干燥机

XSG型旋转闪蒸干燥机

碎干分级一体化 快速干燥保品质
联系我们 获取报价
  • 产品详情
  • 产品技术
  • 技术参数
  • 应用案例

    XSG型旋转闪蒸干燥机设备概述

       旋转闪蒸干燥机(Rotary Flash Dryer)是集干燥、粉碎、筛分于一体的新型连续式干燥设备,特别适用于滤饼状、膏糊状、稀泥浆状物料的烘干,尤其适用于需要在短时间内完成干燥的物料。湿物料在干燥塔内干燥时间仅为几十秒,水份瞬间蒸发,干燥出的产品质量与干燥的温度、风速、风量、破碎的速度有很大关系。我公司有创新设计方案,通过调节闪蒸干燥切线进入的风速、风量、破碎的速度,控制出料的成品颗粒的大小和终含水量的高低。

    XSG型旋转闪蒸干燥机 工作原理

       闪蒸干燥机是由热空气切线进入干燥器底部,在搅拌器带动下形成强有力的旋转风场。物料由螺旋加料器进入干燥器内,在高速旋转搅拌桨的强烈作用下,物料受撞击、磨擦及剪切力的作用下得到分散,块状物料迅速粉碎,与热空气充分接触、受热、干燥。湿含量较低及颗粒度较小的物料随旋转气流一并上升,输送至分离器进行气固分离,成品收集包装,而尾气则经除尘装置处理后排空。
       (1) 物料进给:待干燥的物料通过进料口被送入干燥机内。物料可以是湿的颗粒、粉末或者是膏状物。
       (2) 破碎与分散:物料进入干燥机后,遇到高速旋转的破碎装置(如螺旋桨、刀片或锤子)。这些装置会将物料迅速破碎成细小的颗粒,增加物料的表面积,从而加速干燥过程。
       (3) 热风干燥:同时,热风通过热风入口被送入干燥机内。热风的温度根据物料特性和zui终产品的质量要求进行调节。热风与被破碎的物料充分接触,迅速带走物料中的水分或溶剂。
       (4) 分级与收集:干燥后的物料随热风进入分级装置(通常是旋风分离器),在这个过程中,较轻的、已经干燥好的细粉被分离出来并通过管道排出。而未达到干燥要求的较大颗粒则会被重新送回干燥区继续处理,直到满足干燥标准。
       (5) 废气处理:经过干燥后的废气(包含水蒸气或挥发性有机化合物)通过排气系统排出,通常需要经过除尘装置(如袋式过滤器)进行处理,以去除废气中的固体颗粒物,然后排放到大气中。
       (6) 控制系统:用于控制干燥温度、风量等参数,保证干燥过程的稳定性和产品质量。

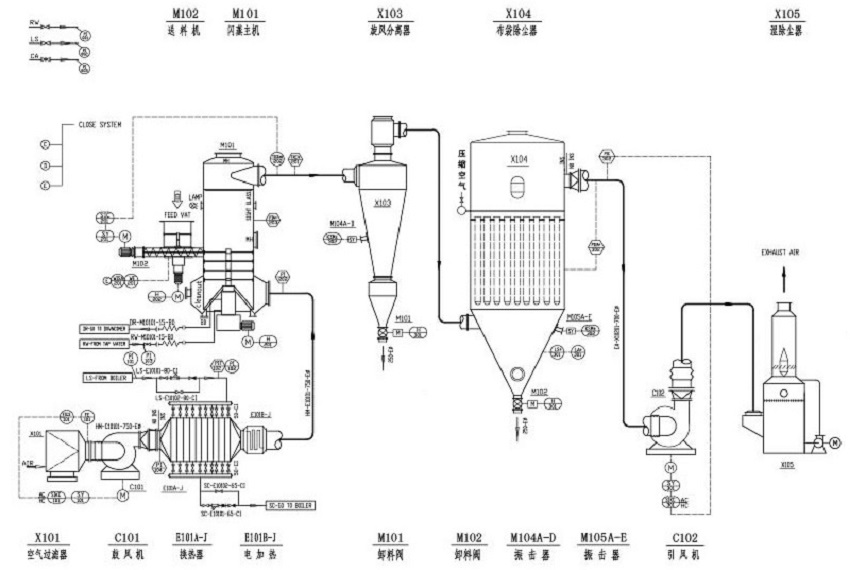
    XSG型旋转闪蒸干燥机 工艺流程图

    XSG型旋转闪蒸干燥机 设备特点

       旋转闪蒸干燥机因其高效、快速的干燥能力,在需要短时间内完成干燥任务的应用中表现优异。
       (1) 高效快速:能够在极短时间内完成干燥,适合于大批量生产。
       (2) 适用范围广:适用于多种物料,尤其是那些需要快速干燥、对热敏感或容易结块的物料。
       (3) 操作灵活:通过调整热风温度、风量和破碎装置的速度,可以适应不同物料的干燥需求。
       (4) 维护简便:结构相对简单,便于日常维护和检修。

    XSG型旋转闪蒸干燥机 适用范围

       (1) 有机物:阿特拉津(农药杀虫剂)、月桂酸隔、苯甲酸、安息香酸、杀菌丹、草酸钠、醋酸纤维素、有机颜料等。
       (2) 染料:蒽醌、黑色氧化铁、靛蓝颜料、丁酸、氢氧化钛、硫化锌、各种偶氮染料中间体。
       (3) 无机物:硼砂、碳酸钙、氢氧化物、硫酸铜、氧化铁、碳酸钡、三氧化锑、各种金属氢氧化物、各种重金属盐、合成冰晶石等。
       (4) 食品:大豆蛋白、胶凝淀粉、酒槽、小麦糖、小麦淀粉等。

    XSG型旋转闪蒸干燥机 技术改进

       旋转闪蒸干燥机组是我公司生产的主要设备之一,我公司自建厂以来生产的旋转闪蒸干燥机组便及全国各地,跨及颜料、染料、石油、建材、食品、饲料、农药及其中间体等各行各业,多年来我公司陆续碰到过许多难以加入、烘干和分离的物料,经过科学分析和实验,zui终都画上了圆满的句号。至今对于不同性质的物料我们都有独特的干燥方案,所以我们有信心和能力实现贵公司物料干燥要求。
       (1) 多种加料装置供选择,加料连续稳定,不会产生架桥现象。
       (2) 干燥机底部设置特殊的冷却装置,避免了物料在底部高温区产生变质现象。
       (3) 特殊的气压密封装置和轴承冷却装置,有效延长传动部分使用寿命。
       (4) 特殊的分风装置,降低了设备阻力,同时使塔内风速趋于平衡。
       (5) 干燥室装有分级环及旋流片,物料细度和终水份可调可控。
       (6) 干燥室内周向气速高,物料停留时间短,有效防止物料粘壁及热敏性物料变质。

    XSG型旋转闪蒸干燥机 工艺流程图1——布袋除尘器


    XSG型旋转闪蒸干燥机 工艺流程图2——旋风+布袋+水膜除尘器

    XSG型旋转闪蒸干燥机 技术规格

    型号 XSG-2 XSG-4 XSG-6 XSG-8 XSG-10 XSG-12 XSG-16 XSG-20
    主机内径mm 200 400 600 800 1000 1200 1600 2000
    风量M3/h 350-500 1150-2000 2450-4500 4450-7550 7000-12500 10000-20000 18000-36000 28200-56500
    蒸发水份kg/h 12-17 40-70 80-150 150-250 230-450 300-600 600-1000 1000-1500
    装机容量kw 10 20 40 65 85 105 150 230
    高度上限m 4.0 4.8 5.8 6.5 7.1 7.8 8.8 10.1
    占地面积m2 15 20 28 35 40 52 80 150

    注:1.水分蒸发量是以进风温度为180℃,出风温度为80℃时每小时蒸发的水份,
      2.除以上型号外可为用户作特殊设计,
      3.以上装机容量为标准配套,根据物料不同功率配套可明显减少。


    处理物料及特点(以6型闪蒸为基准)

    物料名称 硬脂酸 氢氧化铝 碳酸锌 杀虫单 TMTD DSD酸 氧化铁红 二氧化锑 氯化亚铜 白太黑
    进风温度℃ 150 180 150 120 140 150 200 180 200 280
    初含湿量% 80 55 80 30 65 60 60 45 30 85
    终含湿量% 0.5 1.5 1.0 1.0 0.5 0.5 0.5 1.0 3.0 5.0
    实际干燥能力kg/h 140-160 250-280 130-170 80-110 80-120 80-120 300-350 280-320 290-310 250-300

    物料名称 促进剂 油溶墨 代酸锰锌 酞青兰 柠檬酸钙 超细碳酸钙 泥浆处理剂 二氧异氰尿酸钠 三氧异氰尿酸钠
    进风温度℃ 150 150 120 150 140 160 200 180 150
    初含湿量% 60 45 30 55 40 70 75 25 30
    终含湿量% 0.5 2.0 1.0 1.0 1.0 1.5 5.0 0.2-2 1.0
    实际干燥能力kg/h 80-110 350-380 120-150 160-180 300-350 430-470 290-310 80-120 90-150

下一篇:HZL型回转焙烧炉

项目案例

暂无记录...

相关产品

相关资讯

暂无记录...
常州市龙鑫智能装备股份有限公司
智能制造领域的国家专精特新重点小巨人企业,致力于为新能源、精细化工、食品医药、资源再生利用等行业客户提供研磨分散、干燥焙烧智能装备及自动化生产线整体解决方案,推动超细粉体工艺升级,助力先进材料客户实现工业4.0。
联系我们

客户服务

质量保证

联系我们

人才招聘

走进龙鑫

公司简介

企业文化

组织结构

企业资质

发展历程

企业风貌

制造能力

合作伙伴

实验中心

检验检测

智能装备

珠磨机

三辊研磨机

分散、搅拌机

蒸发器

干燥设备

实验中试装置

废旧电池回收

解决方案

先进材料

精细化工

食品医药

请问您需要哪些帮助?

业务热线:0519-88608368 / 88661998
手  机:188-0612-0158
联系我们 获取报价
关注我们
X

截屏,识别二维码

手机二维码:龙鑫智能

(点击复制龙鑫智能官网简称)

二维码已复制,请打开手机浏览器访问!
获取报价
*请输入想咨询的相关问题
*请输入您的公司名称
*请输入您的联系方式,方便与您联系
请输入留言内容*
Copyright 2025 常州市龙鑫智能装备股份有限公司 苏ICP备20003825号 版权声明 技术支持:江苏东网科技
Copyright 2025 龙鑫智能 版权声明